Nuts
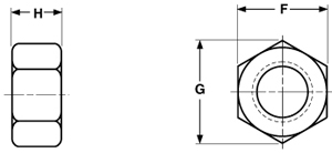
A six-sided internally threaded fastener with metric thread pitch. 16 millimeter nuts and smaller are chamfered on the top and the bearing surface. Larger nuts may be double chamfered, or have a washer face on one side and a chamfered surface on the opposite side. Generally manufactured in accordance with DIN Standard 934 or ISO Standard 4032.
All Nuts are available in 304, 304L, 316, 316L , H.T Gr. 8 , 10 , etc...
A six-sided internally threaded fastener whose thickness is .875 times the nominal nut size and whose width across the flats is 1.5 times.
Hex nuts (also referred to as finished hex nuts) are available in ASTM A563-A and compatible with low carbon steel bolts such as ASTM A307, ASTM F1554 grade 36, SAE grade 2, and AASHTO M183. SAE grade 5 and grade 8 nuts are also available in a finished pattern.
The most commonly used general purpose nut.
All Nuts are available in 304, 304L, 316, 316L , H.T Gr. 8 , 10 , etc...
A six-sided, double chamfered nut that is available in various widths and lengths.
Hex couplers are used to connect two pieces of threaded material. Hex and heavy hex couplers are threaded right hand. If a right hand-left hand coupler is needed, consider using a sleeve nut.
All Nuts are available in 304, 304L, 316, 316L , H.T Gr. 8 , 10 , etc...
A heavy hex nut made of alloy steel, manufactured in accordance with ASTM Standard A194 Grade 2H.
Used for high-temperature and high-pressure conditions.
Heavy hex nuts are slightly larger and thicker than standard (finished) hex nuts. There are numerous grades and the heavy pattern is typically used for large diameter and high strength bolts.
All Nuts are available in 304, 304L, 316, 316L , H.T Gr. 8 , 10 , etc...
A six-sided internally threaded fastener which is thinner than the thickness of a finished hex nut.
Used in combination with a finished hex nut to keep the nut from loosening.
Hex jam nuts are thinner than a standard hex nut but have the same dimension across the flats and corners. Hex jam nuts have two common applications. A jam nut can be threaded onto a bolt and run tight against the standard nut which will lock the nut in place and prevent it from backing off. Jam nuts are sometimes used for leveling purposes as well.
All Nuts are available in 304, 304L, 316, 316L , H.T Gr. 8 , 10 , etc...
A six-sided nut with a nylon-filled collar at its back end and metric thread pitch. When a bolt or screw reaches the collar, the threads and nylon form a tight, frictional fit, restricting movement of the fastener when it is subjected to vibration. Generally manufactured in accordance with DIN Standard 985.
All Nuts are available in 304, 304L, 316, 316L , H.T Gr. 8 , 10 , etc...
A four-sided, internally threaded fastener with a flat bottom side and a chamfered, washer-crowned top.
Square nuts are usually provided with a square bolt and used heavily in the utility and pole line industry.
Designed for use with square bolts.
All Nuts are available in 304, 304L, 316, 316L , H.T Gr. 8 , 10 , etc...
Has wings which allow the nut to be manually turned.
Used when a part is frequently assembled and disassembled by hand.
All Nuts are available in 304, 304L, 316, 316L , H.T Gr. 8 , 10 , etc...
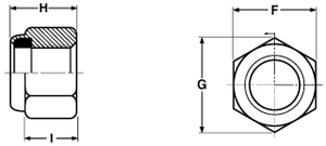
Looks like a hex nut with an acorn-shaped top.
Used to cover exposed, dangerous bolt threads or to add a finished appearance
All Nuts are available in 304, 304L, 316, 316L , H.T Gr. 8 , 10 , etc...





